液压基本回路是由一些液压元件组成的,用来完成特定功能的控制油路。液压基本回路是液压系统的核心,无论多么复杂的液压系统都是由一些液压基本回路构成的,因此,掌握液压基本回路的功能是非常必要的。

从机器构成的角度来讲,任何机器都是由原动机、传动系统和工作机三部分组成的。
液压基本回路是构成液压传动系统的基本单元。

一、压力控制基本回路
压力控制回路是利用压力控制阀来控制系统和支路压力,实现调压、稳压、增压、减压、卸荷等目的,以满足执行元件对力或力矩的要求。
压力控制回路可分为:调压回路、减压回路、增压回路、卸荷回路、平衡回路、保压回路、泄压回路
1 调压回路
功效:调定和限制液压系统的最高工作压 力,或者使执行机构在工作过程不同阶段实现多级压力变换。一般用溢流阀来实现这一功能。
分类:单级调压回路、多级调压回路、无级调压回路
A 单级调压回路

节流阀可以调节进入液压缸的流量,定量泵输出的流量大于液压缸的流量时甲多余的油液便从溢流阀流回油箱。调节溢流阀便可调节泵的供油压力,溢流阀的调定压力必须大于液压缸最大工作压力和油路上各种压力损失总和。
B 二级调压回路



二级调压回路:系统压力值有两种。
如图二所示状态下,当两位两通电磁换向阀断电时,液压泵的工作压力由先导溢流阀1调定为最高压力;当两位两通电磁换向阀通电后,液压泵工作压力由远程调压阀2(溢流阀)调定为较低压力。(其中,远程调压阀2的调整压力必须小于溢流阀1的调整压力。)
C 多级调压回路

如图所示,在图示状态,当电磁换向阀断电中位工作时,液压泵的工作压力由先导溢流阀1调定为最高压力;当电磁换向阀4右边电磁铁通电右位时,液压泵工作压力由远程调压阀2(溢流阀)调定为较低压力。当电磁换向阀4左边电磁铁通电左位时,液压泵工作压力由远程调压阀3(溢流阀)调定为较低压力。(其中,远程调压阀2和3的调整压力必须小于溢流阀1的调整压力。)
D 远程调压回路

从较远距离的地方可以控制泵的工作压力。下方的溢流阀安装在远处,称为遥控溢流阀。上方的溢流阀为主溢流阀。当遥控溢流阀的设定压力低于主溢流阀设定压力时,回路压力由遥控溢流阀的设定压力来决定。
遥控溢流阀的设定压力必须小于主溢流阀设定压力,否则会堵塞主溢流阀引压口。
2 减压回路
功能:使液压系统中的某一部分油路具有较低的稳定压力。
应用场合:控制油路、夹紧回路、润滑油路
主要元件:定值减压阀
方法:在需要减压的油路前串联一个减压阀
常用回路:单向减压回路、二级减压回路

3 增压回路
功能:使液压系统中的某一部分支路的压力高于系统压力。
主要元件:增压器
常用回路:单作用增压器的增压回路、双作用增压器的增压回路
A 单作用增压器的增压回路

单作用增压回路,一般只适用于液压缸单方向需要很大的力和行程较短的场合。图中增压器1的活塞左行时,其高压腔经单向阀从高位油箱内补油,缸2的活塞在内部弹簧作用下回程。当增压器的活塞右行时,其高压腔输出高压油,从而使缸2输出较大的力。
依靠增压器可以获得比系统压力更高的压力。由于增压器左右腔的活塞面积A1>A2,根据活塞左右受力平衡原理,所以活塞伸出时右腔的压力高于左腔。增压器提供的高压供回路中的单作用油缸工作。
B 双作用增压器的增压回路

在图示情况下,增压器2的活塞右行,其高压腔B经单向阀6输出高压油,反之,当电磁阀通电时,增压器的高压腔A经单向阀5输出高压油。只要电磁阀1不断地切换,双作用增压器2就能不断地输出高压油
3 卸荷回路
【设置原因】液压系统在工作循环中短时间间歇时,为减少功率损耗,降低系统发热,避免因液压泵频繁启停影响液压泵的寿命,需设置卸荷回路
【液压泵卸荷的概念】指液压泵以很小的输出功率(接近于零)运转。即液压泵以很低的压力(接近于零)运转或输出很少流量(接近于零)的压力油。
【常用回路】
1、利用三位换向阀中位机能的卸荷回路
2、利用两位两通阀的卸荷回路

泵可借助M型、H型或K型换向阀中位机能来实现降压卸荷。
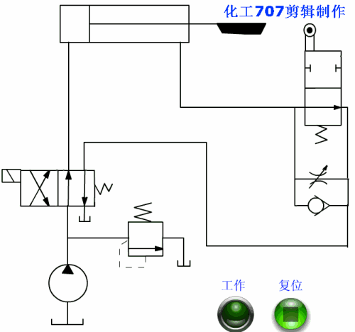
4 保压回路
保压回路主要是用在液压回路中,功用是使系统在液压缸不动或因为工件变形而产生微小位移的情况下能够保持稳定不变的压力。
保压回路的分类
保压回路主要分 辅助泵保压回路,液控单向阀保压回路,蓄能器保压回路,压力补偿变量泵保压回路四种基本回路。
辅助泵保压
辅助泵保压就是利用大小两个不同流量的油泵,当压力达到设定压力时,大流量 泵关闭,此时由小流量泵来做泄漏时补充。由于小流量泵功率小,所以对整个系统发热影响不大。
液控单向阀保压
液控单向阀保压 就是当压力达到设定值时,油泵停止工作,此时利用单向阀密封功能对液压缸进行保压。
蓄能器保压

蓄能器保压是当压力达到一定时,油泵停止工作,由蓄能器来补充泄漏,保压时间的长短是看蓄能器容积大小与泄漏程度。
压力补偿泵保压
采用 压力补偿泵保压,压力稳定,效率高,其原理是利用压力补偿泵具有流量随压力增高时流量变小的特性来保压。

当换向阀在左位工作时,液压缸前进压紧工件,进油路压力升高。当油压达到压力继电器的调整值时,压力继电器发讯号使二位二通阀通电,泵即卸荷,单向阀自动关闭,液压缸则由蓄能器保压。
液压缸压力不足时,压力继电器复位使泵重新工作。
保压时间取决于蓄能器的容量,调节压力继电器的通断调节区间即可调节液压缸压力的最大值和最小值。
利用油缸提升重物时,如果遇到突然停电情况,需要防止重物下落。利用中央封闭的3位4通阀就可以实现这一功能。
断电时换向阀处于中位,中央封闭,使油缸内压力能够维持一段时间不使重物下落。
5 差动快速回路
差动回路是从无杆腔进油,使有杆腔的油回到无杆腔。在同一压强(我们俗称的压力)下,利用无杆腔和有杆腔的面积差,产生压力F差,从而驱动液压缸伸出。因为有杆腔的油回到了无杆腔,所以液压缸能以较快速度动作,实现小流量高速度。

利用2位3通电磁换向阀可以实现液压缸的差动连接。
电磁阀断电时,油缸差动连接,可以实现快速伸出。
电磁阀通电时,油缸为普通连接,油缸以普通速度伸出。


6 平衡回路
平衡回路作用是 防止或者调整工作部件因自重而自由下落,调整下落速度,保证它们在任意位置上被锁定
为了防止或者调整立式液压缸及其联动的垂直或倾斜运动的工作部件因自重而自由下落,往往在液压系统中设置能产生一定背压的液压元件,以调整工作部件的下落速度,并能够保证它们在任意位置上被锁定的液压回路,称为平衡回路

7 锁紧回路
锁紧回路的功用是使液压缸在位置上停留,且停留后不会因外力作用而移动位置的回路。如图所示的即为使用液控单向阀的锁紧回路。当换向阀处于左位时,压力油经单向阀1进入液压液压缸左腔,同时压力油亦进入单向阀2的控制油口K,打开阀2,使液压缸右腔的回油可以阀2及换向阀流回油箱,活塞向右运动。反之,活赛向左运动到了需要停留的位置,只要使换阀处于是中位,阀的中位为H 型机能(Y型也行)。所以阀1和阀2均关闭,使活赛双向锁紧,。在这个回路中,由于液控单向阀的阀座一般为锥阀式结构,所以密封性好,泄漏极少,锁紧的精度主要取决于液压缸的泄漏。这种回路被广泛应用于工程机械,起重机械,等有锁紧要求的场合


8 双泵回路
双泵双回路分功率调节原理。在回路中装置了两台恒功率变量泵。两回路都有各自的调节器,两回路工作压力,在调节器上无联系。对每台泵而言均能充分利用原动机功率的一半。然而,当一回路所利用功率降低时,原动机的剩余功率不能为另一回路利用。双泵双回路总功率调节原理图,在回路中设置了两台恒功率。控制泵的调定功率实现变功率控制。如若将二次压力p。馈送到发动机油门调节器,该回路将能根据外负载实现两泵总功率与原动机有效功率相匹配适应性控制,更充分有效地利用原动机的功率。这时采用恒功率控制原理,保证液压系统总是消耗定量功率,对整个系统而言,就并非最经济了。如发动机油门增加(而负载不变)时,发动机转速增加,发动机的输出功率N增加,若能相应使输出的液压功率增加则原动机的功率将得到充分利用。又如,当发动机负载增加致使其转速下降时,若液压部分仍保持恒功率输出,整个系统的原动机功率不能保持自适应调节。

9 串联同步回路
使两个或两个以上的液压缸,在运动中保持相同位移或相同速度的回路称为同步回路。在一泵多缸的系统中,尽管液压缸的有效工作面积相等,但是由于运动中所受负载不均衡,摩擦阻力也不相等,泄漏量的不同以及制造上的误差等,不能使液压缸同步动作。同步回路的作用就是为了克服这些影响,补偿它们在流量上所造成的变化

10 行程控制制动式换向回路
行程控制制动式换向回路这种回路中的主油路除受换向阀控制外,还受先导阀控制。当先导阀在换向过程中向左移动时,先导阀阀心的右制动锥将液压缸右腔的回油通道逐渐关小,使活塞速度逐渐减慢,对活塞进行预制动。当回油通道被关得很小(轴向开口量尚留约0.2-0.5mm)、活塞速度变得很慢时,换向阀的控制油路才开始切换,换向阀心向左移动,切断主油路通道,使活塞停止运动,并随即使它在相反的方向启动。这里,不论运动部件原来的速度快慢如何,先导阀总是要先移动一段固定的行程,将工作部件先进行预制动后,再由换向阀来使它换向,所以这种制动方式被称为行程控制制动式。

行程控制制动式换向回路的换向精度较高,冲出最较小,但由于先导阀的制动行程恒定不变,制动时间的长短和换向冲击的大小就将受运动部件速度快慢的影响,所 以这种换向回路宜用在主机工作部件运动速度不大,但换向精度要求较高的场合.如:四柱液压机、四柱压力机、四柱油压机的液压系统中。

11 行程开关控制的快慢速换接回路

12 行程开关和电磁阀控制的顺序动作回路

13 行程阀控制的顺序动作回路

14 行程阀控制的快慢速换接回路

15 分流阀同步回路

17 回油节流回路

18 回油调速回路

19 进油路节流调速回路


20 夹紧回路

21 锁紧回路


22 快进工进回路




21 旁油路节流调速回路

22 平衡回路

23 顺序阀控制的顺序动作回路

24 调速阀并联的速度换接回路


25 调速阀串联的速度换接回路

26 压力继电器控制的顺序动作回路
