|
新型吹气式钢桶理盖机的设计研究
文/曹瑞
一、前言
在制桶行业、石油化工和食品工业中,钢桶全自动生产线和钢桶灌装生产线非常普遍。在自动生产线上,需要采用理盖机和供送机构将料斗中杂乱堆积的桶盖进行快速整理和排序并准确地输送到旋盖机的取盖位置;因此理盖系统就成为整条生产线的“咽喉”,其理盖的准确性和供送速度直接影响到生产线的产量。
鉴于理盖机的重要性,如何实现盖子的理盖过程是我们共同关注的问题,有不少工程技术人员对此进行了认真研究,提出了多种不同的设计方案。虽然这些设计方案各具特色,但也存在一些不足之处:电磁振动式理盖机由于结构复杂、振动噪音大、易卡盖、效率低等诸多原因将难以满足现代包装机械的需要;提升理盖机是通过盖子正反放置在倾斜的提升皮带上时盖子的重心位置不同而进行筛选理盖的,这种理盖方式生产速度低、可靠性不太高,调节也不方便,同时对盖子形状尺寸也有一定的限制;回转式理盖机常见的有斜斗弧牙面式和斜斗台阶柱式,其制造和安装较为复杂、装配维修困难、理盖速度可调范围小、兼容性差。传统吹气式理盖机是通过理盖拨盘上的凹坑下方的吹气孔和料斗侧壁上的吹气孔组合作用筛选盖子的,这种理盖方式速度高,可靠性好,它的缺点是理盖拨盘加工工艺复杂、加工成本高,对盖子的适应范围比较小,过大或者过小的盖子要通过更换理盖拨盘的方式来适应,更换理盖拨盘不方便。
为了克服上述几种方案的不足,本文介绍一种自主研制的新型吹气式理盖机,它既能适应不同形状和尺寸的桶盖,又具有理盖准确、效率高、结构简单、制造成本低等诸多优点。
二、新型吹气式理盖机的结构、工作原理和过程
1、理盖机结构
如图1所示,新型吹气式理盖机主要由如下几部分组成:1-驱动电机,2-理盖机底盘,3-托盖导轨调整块,4-储盖仓,5-理盖盘,6-连接盘,7-储盖仓盖,8-驱动轴,9-托盖导轨,10-出盖滑道连接块,11-调节螺母,12-连接螺栓,13-吹气嘴1,14-吹气嘴2,15-吹气嘴3,16-吹气嘴4,17-连接体,18-分隔板,19-出盖滑道。

图1 新型吹气式理盖机的主要结构
2、理盖机工作原理和过程
新型吹气式理盖机的工作过程及原理是:桶盖由提升机输送到理盖机的储盖仓内,理盖盘在驱动电机的带动下以一定速度顺时针转动,在离心力的作用下,杂乱分布的盖子沿理盖盘的斜面进入理盖盘底部外侧的“凹坑”工位,该“凹坑”的深度从斜面底部沿理盖盘圆周方向由浅至深,最后和出盖滑道对接,在理盖盘转动过程中。当盖子经过图1中的13号吹气嘴后,“凹坑”工位只有一层盖子,当经过14、15号吹气嘴后,在两个吹气嘴的组合作用下,“凹坑”中只剩下符合条件的盖子了,16号吹气嘴是为了确保飞溅的盖子落入滑道入口设置的,这样就确保了经过16号吹气嘴最后进入出盖滑道的盖子的合格率为100%。
三、新型吹气式理盖机的主要零部件设计
1、理盖机底盘
理盖机底盘相当于理盖机的机架,它安装在连接体上(连接体固定于旋盖机顶的安装盘),上方外沿用螺栓与储盖仓相连接,内侧通过螺栓、螺母和托盖导轨调整块与托盖导轨相连接,旋转该螺栓可调节托盖导轨和理盖盘之间的间距来适应不同厚度的盖子,常规的盖子的厚度均在23±3mm,因此出厂前调整至合适的位置后一般不再需要进行调节。
理盖机底盘在与出盖滑道对接端开一坡口,使理好的盖子能通过和出盖滑道连接块相连的出后滑道进入旋盖机的取盖盘工位。底盘下方焊接有法兰盘,一侧与驱动电机连接,另一侧通过推力轴承和驱动轴相连接。底盘的顶端带有一凸块并开孔,方便调试完毕后与旋盖机组衔接时的吊装。
由于理盖机底盘的功能仅做机架连接用,它的材质和加工工艺要求就不必太高,该新型理盖机底盘采用Q235表面镀锌处理,这样既能满足使用性能又降低了成本。
2、储盖仓
储盖仓作为盛装盖子的主要容器,是盖子自动排队、自动输出的重要“仓库”,在出盖滑道与底盘的连接处开坡口,此处开坡口的作用有二,其一是方便滑道安装与盖子的输送,其二是可以通过该坡口清理混入储盖仓内的杂物。
储盖仓的侧壁(如图1所示)安装有13号、14号和16号吹气嘴,这三个吹气嘴和安装在托盖导轨上的15号吹气嘴组合在一起共同完成了盖子的排列、筛选和剔除等整个过程。
储盖仓的上方放置储盖仓盖子,与下方的理盖盘一起形成一个封闭的腔体,防止储盖仓中的盖子在电机带动的理盖盘的旋转离心力作用下飞出储盖仓,确保理盖机周围工作环境的安全。它由不锈钢拉丝板卷压而成,内侧光滑,减小了盖子与储盖仓内壁的摩擦,外侧美观大方。
3、理盖盘
理盖盘是新型吹气式理盖机的关键部件,它通过连接盘与电机驱动轴相联。工作时,理盖盘在驱动电机的带动下以一定的速度(转速可调,也就是理盖能力可调)顺时针转动。
传统吹气式理盖机的理盖拨盘结构比较特殊,如图2所示,在整个理盖盘上均布着若干个凹坑,凹坑的底部开一通孔,并且边缘需要倒角,这给加工制造带了了诸多不便,加工成本也较高,更换盖子的尺寸稍大时,理盖机需要更换理盖拨盘,不便于多种盖子类型产品的自动化生产。
新型吹气式理盖机做了很大的改进,原理上由原来“上出盖”(盖子从理盖盘的上方进入出盖滑道)更改为“下出盖”(盖子从理盖盘的下方进入出盖滑道),结构上也简化了很多。如图3所示,新理盖盘结构上比较规则,都是常规的平面和圆孔组成,加工工艺简化,加工成本降低。同时,新理盖盘兼容盖子的形状和尺寸都大幅度的增加,更有力的保证了多品种产品的自动化生产。

图2 传统吹气式理盖机理盖拨盘

图3 新型吹气式理盖机的理盖盘
4、分隔板
分隔板是新型吹气式理盖机特有的一个部件。如图4所示,它是由不锈钢拉丝板折弯成形,它的作用就是盖住理盖盘和出盖滑道衔接处,防止飞溅的盖子(可能是不符合要求的盖子)落入经过筛选、剔除吹气嘴后的“凹坑”工位。一旦有不合适的盖子(方向反向)进入出盖滑道输送到旋盖机的取盖盘工位,就会使整个灌装线暂停,直接影响到自动灌装生产线的产量。

图4 新型理盖机的分隔板
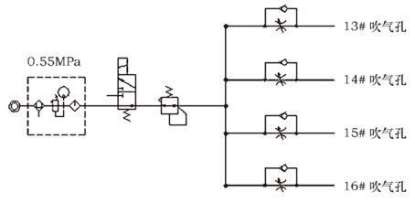
四、新型吹气式理盖机的系统设计
1、气路
为了理盖机高速、稳定可靠的工作,该系统中设计了四个吹气嘴,如图5所示:13号气嘴作用是剔除双层盖,14号、15号气嘴的作用是筛选正反盖,合适的通过,不合适的被吹回到储盖仓底部,16号气嘴的作用是剔除飞溅落入入口滑道前工位的不合适的盖子。

图5 新型理盖机气动原理图
2、光电检测
在理盖系统中设有三个光电检测点:位于储盖仓斜下方的光电开关1,其作用是当储盖仓中桶盖的高度低于光电开关1时,光电开关发出信号,提升机开始供盖,始终保持储盖仓中桶盖处于合理的高度(也就是合理数量的盖子);在出盖滑道的上下分别设有光电开关2和光电开关3,光电开关2为上限位开关,当盖子高于光电开关2时,光电开关2发出信号,理盖机驱动电机停止;当盖子低于光电开关3时,光电开关3发出信号,理盖机驱动电机启动。
五、结束语
理盖机作为自动液体灌装生产线上必备的、重要的组成部分,其生产率的高低、工作性能的优劣直接影响整条灌装线的生产,也对提高生产企业的经济效益起着至关重要的作用。本文介绍的这种通用的吹气式理盖机可在不同生产能力的生产线上配套使用,它具有结构简单,调整方便,生产率高,工作可靠,桶盖供送平稳、无损伤,通用性广等特点,满足了各种高速自动生产线的要求,在国内相关行业得到了推广应用,取得了良好的经济效益和社会效益。
|