|
制桶设备离不了的离合器究竟有多少种?你都见过吗?
文/三哥
所谓离合器,顾名思义就是说利用“离”与“合”来传递适量的动力。离合器由摩擦片、弹簧片、压盘以及动力输出轴组成,它位于发动机与变速箱之间,用来将发动机飞轮上储存的力矩传递给变速箱,以保证车辆在不同的行驶状况下传递给驱动轮适量的驱动力和扭矩,属于动力总成的范畴。在半联动的时候,离合器的动力输入端与动力输出端允许有转速差,也就是通过其转速差来实现传递适量的动力。
离合器分为电磁离合器、磁粉离合器、摩擦式离合器和液力离合器四种:

电磁离合器
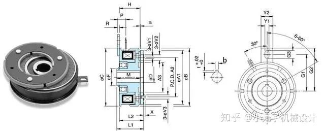
电磁离合器靠线圈的通断电来控制离合器的接合与分离。

电磁离合器又可分为:干式单片电磁离合器,干式多片电磁离合器,湿式多片电磁离合器,磁粉离合器,转差式电磁离合器等。
电磁离合器工作方式可分为:通电结合和断电结合。
干式单片电磁离合器:线圈通电时产生磁力吸合“衔铁”片,离合器处于接合状态;线圈断电时“衔铁”弹回,离合器处于分离状态。干式多片、湿式多片电磁离合器:原理同上,另外增加几个摩擦付,同等体积转矩比干式单片电磁离合器大,湿式多片电磁离合器工作时必须有油液或其它冷却液冷却。
磁粉离合器
在主动与从动件之间放置磁粉,不通电时磁粉处于松散状态,通电时磁粉结合,主动件与从动件同时转动。

优点:可通过调节电流来调节转矩,允许较大滑差。
缺点:较大滑差时温升较大,相对价格高。
转差式电磁离合器
离合器工作时,主、从部分必须存在某一转速差才有转矩传递。转矩大小取决于磁场强度和转速差。励磁电流保持不变,转速随转矩增加而剧烈下降;转矩保持不变,励磁电流减少,转速减少得更加严重。

转差式电磁离合器由于主、从动部件间无任何机械连接,无磨损消耗,无磁粉泄漏,无冲击,调整励磁电流可以改变转速,作无级变速器使用,这是它的优点。该离合器的主要缺点是转子中的涡流会产生热量,该热量与转速差成正比。低速运转时的效率很低,效率值为主、从动轴的转速比,即η=n2/n1。

适用于高频动作的机械传动系统,可在主动部分运转的情况下,使从动部分与主动部分结合或分离。主动件与从动件之间处于分离状态时,主动件转动,从动件静止;主动件与从动件之间处于接合状态,主动间带去从动件转动。广泛适用于机床、包装、印刷、纺织、轻工、及办公设备中。
电磁离合器一般用于环境温度-20—50℃,湿度小于85%,无爆炸危险的介质中,其线圈电压波动不超过额定电压的±5%。
摩擦离合器
摩擦离合器是应用得最广也是历史最久的一类离合器,它基本上是由主动部分、从动部分、压紧机构和操纵机构四部分组成。

主、从动部分和压紧机构是保证离合器处于接合状态并能传动动力的基本结构,而离合器的操纵机构主要是使离合器分离的装置。在分离过程中,踩下离合器踏板,在自由行程内首先消除离合器的自由间隙,然后在工作行程内产生分离间隙,离合器分离。

在接合过程中,逐渐松开离合器踏板,压盘在压紧弹簧的作用下向前移动,首先消除分离间隙,并在压盘、从动盘和飞轮工作表面上作用足够的压紧力;之后分离轴承在复位弹簧的作用下向后移动,产生自由间隙,离合器接合。
液力离合器
液力离合器用流体(一般用油)作传动介质,与机械式离合器相比,除传动特性有各种变化以外,还主要吸收因主动轴和从动轴转动而产生的振动和冲击。

液力离合器的结构包括一个输入轴,具有一个增速齿轮系;一个工作液流腔,由一个叶轮、一个从动轮和一个叶轮壳构成;一个输出轴,带有从动轮,并且从动轮与叶轮可以操作地组合在一起;一般叶轮壳和叶轮由具有小比重和大应力承受范围的材料构成,以减小离心应力。
|