钢桶全自动生产线实例解析
目录
钢桶产品的多种类型
典型钢桶生产线流程
钢桶底盖生产线
钢桶桶身生产线
钢桶涂装生产线
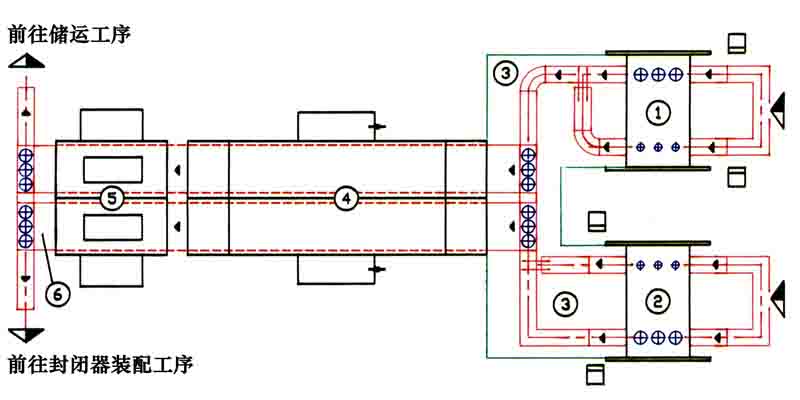
全自动钢桶涂装生产线解析
①
多功能高速钢桶喷涂室
②
多功能高速钢桶喷涂室
③
快速输送滚道
④
双炉多排高速烘干室
⑤
钢桶表面漆膜强制冷却室
⑥
分流传送装置
图片放大
主讲人:杨文亮