|
电阻焊设备及控制(1)-简述
文/赵升吨
0、前言
电阻焊设备是对在加压条件下,利用电流通过焊件及接触面时,其自身电阻产生的热量,对焊接区域局部加热焊接的一类设备统称。
按照电阻焊工艺方法不同,主要分为点焊机、凸焊机、缝焊机及对焊机4种。

点(凸)焊机

缝焊机

对焊机
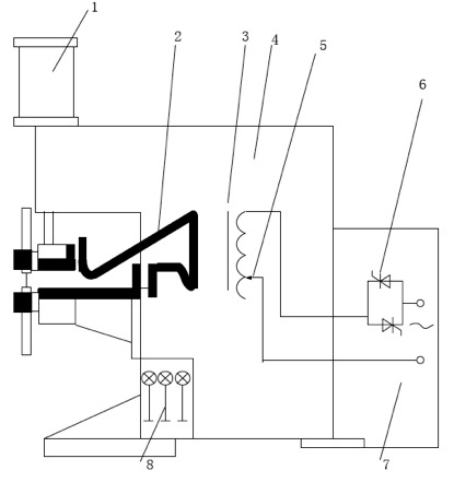
电阻焊设备通常由三个主要部分组成:
(1)焊接主电源
包括阻焊变压器、功率调节机构、主电力开关和焊接回路等。
(2)机械装置
包括机架、加压(夹紧)机构、送进机构(对焊机)、传动机构(缝焊机)等。
(3)控制装置
能同步地控制通电和加压,控制焊接程序中各段时间及调节焊接电流,有些还兼有焊接质量监控功能。
图例:1—加压机构 2—焊接回路 3—阻焊变压器 4—机身 5—功率调节机构 6—主电力开关 7—控制设备 8—冷却系统 9—传动机构 10—送进机构 11—活动座板 12—固定座板。

点(凸)焊机

对焊机

缝焊机
电阻焊设备的主要特点是:
① 焊接生产率高,易实现机械化、自动化;
② 根据焊接用途不同,各种焊机主电源容量跨度大,从0.5kV·A~500kV·A,甚至达几千仟伏安;
③ 焊接主电源的供电形式多样;
④ 输出电流大(通常千安级以上)、电压低;
⑤ 焊机机架刚性要求高,加压机构随动性要求较高;
【相关链接】
电阻焊设备及控制(14)-电阻焊机的控制及质量监控(统计过程控制的质量监控)
电阻焊设备及控制(13)-电阻焊机的控制及质量监控(多参数综合智能监控)
电阻焊设备及控制(12)-电阻焊机的控制及质量监控(焊接参数的监控)
电阻焊设备及控制(11)-电阻焊机的控制及质量监控(热量控制器)
电阻焊设备及控制(10)-电阻焊机的控制及质量监控(主电力开关)
电阻焊设备及控制(9)-电阻焊机的机械结构和装置(对焊机)
电阻焊设备及控制(8)-电阻焊机的机械结构和装置(缝焊机)
电阻焊设备及控制(7)-电阻焊机的机械结构和装置(点焊机和凸焊机)
电阻焊设备及控制(6)-电阻焊机主电源(逆变焊机)
电阻焊设备及控制(5)-电阻焊机主电源(电容储能焊机)
电阻焊设备及控制(4)-电阻焊机主电源(三相低频焊机)
电阻焊设备及控制(3)-电阻焊机主电源(二次整流焊机)
电阻焊设备及控制(2)-电阻焊机主电源(单相工频交流焊机)
电阻焊设备及控制(1)-概述
|